
金属化聚丙烯膜电容器
查看PDF:C23_CBB21Ⅱ金属化聚丙烯膜电容器_2021.pdf


● 产品描述
金属化聚丙烯膜;
高频损耗小;
内部温升小;
塑料外壳(UL94V-0),阻燃环氧填充
● 主要用途
广泛用于高频、直流、交流和脉冲电路中
电视机、显示器S校正电路
● 性能指标 Specifications
引用标准 Reference Standard | GB/T 10190(IEC 60384-16) | ||||||
气候类别 Climatic Category | 40/105/56 | ||||||
工作温度 Operating Temperature Range | ﹣40℃~105℃(+85℃to+105℃:decreasing factor 1.25% per ℃ for UR) | ||||||
额定电压 Rated Voltage | 160VDC(90VAC),250VDC(160VAC),400VDC(220VAC),630VDC(250VAC) 1000VDC(400VAC),1600VDC(600VAC),2000VDC(700VAC) | ||||||
电容量范围 Capacitance Range | 0.00056μF~15.0μF | ||||||
电容量偏差 Capacitance Tolerance | J:±5% K: ±10% M: ±20% | ||||||
耐电压 Voltage Proof | 1.6UR(5S) | ||||||
损耗角正切 Dissipation Factor | ≤0.0010 ( 20℃,1kHz ) | ||||||
绝缘电阻 Insulation Resistance | R≥30000MΩ, CR≤0.33μF | ( 20℃,100V,1min ) | |||||
RCR≥10000MΩ·μF,CR>0.33μF | |||||||
较大脉冲爬升速率 | UR(V) | dV/dt(V/μs) | |||||
P=7.5 | P=10.0 | P=15.0 | P=22.5 | P=27.5 | |||
160 | 250 | 150 | 90 | 50 | 45 | ||
250 | 500 | 450 | 250 | 100 | 90 | ||
400 | 700 | 600 | 500 | 250 | 100 | ||
630 | 1200 | 950 | 700 | 300 | 150 | ||
1000 | — | 1700 | 1600 | 650 | — | ||
1600 | — | — | 3600 | 1400 | — | ||
2000 | — | — | 7600 | 3600 | — | ||
产品编码说明 Part number system
● 16位产品代码如下:
1 | 2 | 3 | 4 | 5 | 6 | 7 | 8 | 9 | 10 | 11 | 12 | 13 | 14 | 15 | 16 |
C | 2 | 3 |
第1~3位 Digit 1 to 3 型号代码 Series code
C23=CBB21Ⅱ
第4~6位 Digit 4 to 6 额定电压 Rated voltage
举例:163=101×63 V =630 V
216=102×16 V =1600 V
第7位 Digit 7 交流/直流电压 AC/DC
A=AC D=DC
第8~10位 Digit 8 to 10 标称容量 Rated capacitance value
举例:310=103×10 pF=0.01 μF
第11位 Digit 11 容量偏差 Capacitance tolerance
J=±5%,K=±10%,M=±20%
第12~16位 Digit 12 to 16 内部特征码 Internal use
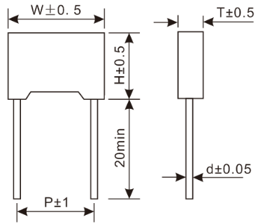
● 规格尺寸Dimensions
160VDC(90VAC) | 160VDC(90VAC) | |||||||||||||
CR | W | H | T | P | d | Part Number | CR | W | H | T | P | d | Part Number | |
0.068 | 10.5 | 9 | 4 | 7.5 | 0.6 | C23116D368-3**** | 0.47 | 26.5 | 15 | 6 | 22.5 | 0.8 | C23116D447-9**** | |
0.082 | 10.5 | 9 | 4 | 7.5 | 0.6 | C23116D382-3**** | 0.56 | 26.5 | 15 | 6 | 22.5 | 0.8 | C23116D456-9**** | |
0.1 | 10.5 | 11 | 5 | 7.5 | 0.6 | C23116D410-3**** | 0.68 | 26.5 | 15 | 6 | 22.5 | 0.8 | C23116D468-9**** | |
0.12 | 10.5 | 11 | 5 | 7.5 | 0.6 | C23116D412-3**** | 0.82 | 26.5 | 16.5 | 7 | 22.5 | 0.8 | C23116D482-9**** | |
0.15 | 10.5 | 12 | 6 | 7.5 | 0.6 | C23116D415-3**** | 1 | 26.5 | 16.5 | 7 | 22.5 | 0.8 | C23116D510-9**** | |
0.18 | 10.5 | 12 | 6 | 7.5 | 0.6 | C23116D418-3**** | 1.2 | 26.5 | 17 | 8.5 | 22.5 | 0.8 | C23116D512-9**** | |
0.082 | 13 | 9 | 4 | 10 | 0.6 | C23116D382-4**** | 1.5 | 26.5 | 17 | 8.5 | 22.5 | 0.8 | C23116D515-9**** | |
0.1 | 13 | 9 | 4 | 10 | 0.6 | C23116D410-4**** | 1.8 | 26.5 | 19.5 | 10.5 | 22.5 | 0.8 | C23116D518-9**** | |
0.12 | 13 | 11 | 5 | 10 | 0.6 | C23116D412-4**** | 2.2 | 26.5 | 19.5 | 10.5 | 22.5 | 0.8 | C23116D522-9**** | |
0.15 | 13 | 11 | 5 | 10 | 0.6 | C23116D415-4**** | 2.7 | 26.5 | 22 | 12 | 22.5 | 0.8 | C23116D527-9**** | |
0.18 | 13 | 11 | 5 | 10 | 0.6 | C23116D418-4**** | 3.3 | 26.5 | 22 | 12 | 22.5 | 0.8 | C23116D533-9**** | |
0.22 | 13 | 12 | 6 | 10 | 0.6 | C23116D422-4**** | 1 | 31.5 | 18 | 9 | 27.5 | 0.8 | C23116D510-B**** | |
0.27 | 13 | 12 | 6 | 10 | 0.6 | C23116D427-4**** | 1.2 | 31.5 | 18 | 9 | 27.5 | 0.8 | C23116D512-B**** | |
0.18 | 18 | 11 | 5 | 15 | 0.6 | C23116D418-6**** | 1.5 | 31.5 | 18 | 9 | 27.5 | 0.8 | C23116D515-B**** | |
0.22 | 18 | 11 | 5 | 15 | 0.6 | C23116D422-6**** | 1.8 | 31.5 | 18 | 9 | 27.5 | 0.8 | C23116D518-B**** | |
0.27 | 18 | 11 | 5 | 15 | 0.6 | C23116D427-6**** | 2.2 | 31.5 | 18 | 9 | 27.5 | 0.8 | C23116D522-B**** | |
0.33 | 18 | 11 | 5 | 15 | 0.6 | C23116D433-6**** | 2.7 | 31.5 | 20 | 11 | 27.5 | 0.8 | C23116D527-B**** | |
0.39 | 18 | 12 | 6 | 15 | 0.8 | C23116D439-6**** | 3.3 | 31.5 | 20 | 11 | 27.5 | 0.8 | C23116D533-B**** | |
0.47 | 18 | 12 | 6 | 15 | 0.8 | C23116D447-6**** | 3.9 | 31.5 | 22 | 13 | 27.5 | 0.8 | C23116D539-B**** | |
0.56 | 18 | 13.5 | 7.5 | 15 | 0.8 | C23116D456-6**** | 4.7 | 31.5 | 23.5 | 14 | 27.5 | 0.8 | C23116D547-B**** | |
0.68 | 18 | 13.5 | 7.5 | 15 | 0.8 | C23116D468-6**** | 5.6 | 31.5 | 25.5 | 16 | 27.5 | 0.8 | C23116D556-B**** | |
0.82 | 18 | 14.5 | 8.5 | 15 | 0.8 | C23116D482-6**** | 6.8 | 31.5 | 28 | 14 | 27.5 | 0.8 | C23116D568-B**** | |
1 | 18 | 16 | 10 | 15 | 0.8 | C23116D510-6**** | 8.2 | 31.5 | 30 | 18 | 27.5 | 0.8 | C23116D582-B**** | |
1.2 | 18 | 16 | 10 | 15 | 0.8 | C23116D512-6**** | 10 | 31.5 | 33 | 18 | 27.5 | 0.8 | C23116D610-B**** | |
1.5 | 18 | 19 | 11 | 15 | 0.8 | C23116D515-6**** | 12 | 31.5 | 37 | 22 | 27.5 | 0.8 | C23116D612-B**** | |
1.8 | 18 | 19 | 11 | 15 | 0.8 | C23116D518-6**** | 15 | 31.5 | 37 | 22 | 27.5 | 0.8 | C23116D615-B**** | |
● 规格尺寸Dimensions
250VDC(160VAC) | 250VDC(160VAC) | |||||||||||||
CR | W | H | T | P | d | Part Number | CR | W | H | T | P | d | Part Number | |
0.027 | 10.5 | 9 | 4 | 7.5 | 0.6 | C23125D327-3**** | 0.39 | 26.5 | 15 | 6 | 22.5 | 0.8 | C23125D439-9**** | |
0.033 | 10.5 | 9 | 4 | 7.5 | 0.6 | C23125D333-3**** | 0.47 | 26.5 | 15 | 6 | 22.5 | 0.8 | C23125D447-9**** | |
0.039 | 10.5 | 9 | 4 | 7.5 | 0.6 | C23125D339-3**** | 0.56 | 26.5 | 15 | 6 | 22.5 | 0.8 | C23125D456-9**** | |
0.047 | 10.5 | 9 | 4 | 7.5 | 0.6 | C23125D347-3**** | 0.68 | 26.5 | 15 | 6 | 22.5 | 0.8 | C23125D468-9**** | |
0.056 | 10.5 | 9 | 4 | 7.5 | 0.6 | C23125D356-3**** | 0.82 | 26.5 | 16.5 | 7 | 22.5 | 0.8 | C23125D482-9**** | |
0.068 | 10.5 | 9 | 4 | 7.5 | 0.6 | C23125D368-3**** | 1 | 26.5 | 16.5 | 7 | 22.5 | 0.8 | C23125D510-9**** | |
0.082 | 10.5 | 11 | 5 | 7.5 | 0.6 | C23125D382-3**** | 1.2 | 26.5 | 17 | 8.5 | 22.5 | 0.8 | C23125D512-9**** | |
0.1 | 10.5 | 11 | 5 | 7.5 | 0.6 | C23125D410-3**** | 1.5 | 26.5 | 17 | 8.5 | 22.5 | 0.8 | C23125D515-9**** | |
0.12 | 10.5 | 11 | 5 | 7.5 | 0.6 | C23125D412-3**** | 1.8 | 26.5 | 19.5 | 10.5 | 22.5 | 0.8 | C23125D518-9**** | |
0.15 | 10.5 | 12 | 6 | 7.5 | 0.6 | C23125D415-3**** | 2.2 | 26.5 | 19.5 | 10.5 | 22.5 | 0.8 | C23125D522-9**** | |
0.18 | 10.5 | 12 | 6 | 7.5 | 0.6 | C23125D418-3**** | 2.7 | 26.5 | 22 | 12 | 22.5 | 0.8 | C23125D527-9**** | |
0.033 | 13 | 9 | 4 | 10 | 0.6 | C23125D333-4**** | 0.82 | 31.5 | 18 | 9 | 27.5 | 0.8 | C23125D482-B**** | |
0.039 | 13 | 9 | 4 | 10 | 0.6 | C23125D339-4**** | 1 | 31.5 | 18 | 9 | 27.5 | 0.8 | C23125D510-B**** | |
0.047 | 13 | 9 | 4 | 10 | 0.6 | C23125D347-4**** | 1.2 | 31.5 | 18 | 9 | 27.5 | 0.8 | C23125D512-B**** | |
0.056 | 13 | 9 | 4 | 10 | 0.6 | C23125D356-4**** | 1.5 | 31.5 | 18 | 9 | 27.5 | 0.8 | C23125D515-B**** | |
0.068 | 13 | 9 | 4 | 10 | 0.6 | C23125D368-4**** | 1.8 | 31.5 | 18 | 9 | 27.5 | 0.8 | C23125D518-B**** | |
0.082 | 13 | 9 | 4 | 10 | 0.6 | C23125D382-4**** | 2.2 | 31.5 | 18 | 9 | 27.5 | 0.8 | C23125D522-B**** | |
0.1 | 13 | 11 | 5 | 10 | 0.6 | C23125D410-4**** | 2.7 | 31.5 | 20 | 11 | 27.5 | 0.8 | C23125D527-B**** | |
0.12 | 13 | 11 | 5 | 10 | 0.6 | C23125D412-4**** | 3.3 | 31.5 | 20 | 11 | 27.5 | 0.8 | C23125D533-B**** | |
0.15 | 13 | 11 | 5 | 10 | 0.6 | C23125D415-4**** | 3.9 | 31.5 | 22 | 13 | 27.5 | 0.8 | C23125D539-B**** | |
0.18 | 13 | 12 | 6 | 10 | 0.6 | C23125D418-4**** | 4.7 | 31.5 | 23.5 | 14 | 27.5 | 0.8 | C23125D547-B**** | |
0.22 | 13 | 12 | 6 | 10 | 0.6 | C23125D422-4**** | 5.6 | 31.5 | 25.5 | 16 | 27.5 | 0.8 | C23125D556-B**** | |
0.1 | 18 | 11 | 5 | 15 | 0.6 | C23125D410-6**** | 6.8 | 31.5 | 28 | 14 | 27.5 | 0.8 | C23125D568-B**** | |
0.12 | 18 | 11 | 5 | 15 | 0.6 | C23125D412-6**** | 8.2 | 31.5 | 30 | 18 | 27.5 | 0.8 | C23125D582-B**** | |
0.15 | 18 | 11 | 5 | 15 | 0.6 | C23125D415-6**** | 10 | 31.5 | 33 | 18 | 27.5 | 0.8 | C23125D610-B**** | |
0.18 | 18 | 11 | 5 | 15 | 0.6 | C23125D418-6**** | 12 | 31.5 | 37 | 22 | 27.5 | 0.8 | C23125D612-B**** | |
0.22 | 18 | 11 | 5 | 15 | 0.6 | C23125D422-6**** | 15 | 31.5 | 37 | 22 | 27.5 | 0.8 | C23140D615-B**** | |
0.27 | 18 | 12 | 6 | 15 | 0.8 | C23125D427-6**** | ||||||||
0.33 | 18 | 12 | 6 | 15 | 0.8 | C23125D433-6**** | ||||||||
0.39 | 18 | 13.5 | 7.5 | 15 | 0.8 | C23125D439-6**** | ||||||||
0.47 | 18 | 13.5 | 7.5 | 15 | 0.8 | C23125D447-6**** | ||||||||
0.56 | 18 | 13.5 | 7.5 | 15 | 0.8 | C23125D456-6**** | ||||||||
0.68 | 18 | 14.5 | 8.5 | 15 | 0.8 | C23125D468-6**** | ||||||||
0.82 | 18 | 16 | 10 | 15 | 0.8 | C23125D482-6**** | ||||||||
1 | 18 | 16 | 10 | 15 | 0.8 | C23125D510-6**** | ||||||||
1.2 | 18 | 19 | 11 | 15 | 0.8 | C23125D512-6**** | ||||||||
● 规格尺寸Dimensions
400VDC(220VAC) | 400VDC(220VAC) | |||||||||||||
CR | W | H | T | P | d | Part Number | CR | W | H | T | P | d | Part Number | |
0.01 | 10.5 | 9 | 4 | 7.5 | 0.6 | C23140D310-3**** | 0.18 | 26.5 | 15 | 6 | 22.5 | 0.8 | C23140D418-9**** | |
0.012 | 10.5 | 9 | 4 | 7.5 | 0.6 | C23140D312-3**** | 0.22 | 26.5 | 15 | 6 | 22.5 | 0.8 | C23140D422-9**** | |
0.015 | 10.5 | 9 | 4 | 7.5 | 0.6 | C23140D315-3**** | 0.27 | 26.5 | 15 | 6 | 22.5 | 0.8 | C23140D427-9**** | |
0.018 | 10.5 | 9 | 4 | 7.5 | 0.6 | C23140D318-3**** | 0.33 | 26.5 | 15 | 6 | 22.5 | 0.8 | C23140D433-9**** | |
0.022 | 10.5 | 9 | 4 | 7.5 | 0.6 | C23140D322-3**** | 0.39 | 26.5 | 15 | 6 | 22.5 | 0.8 | C23140D439-9**** | |
0.027 | 10.5 | 9 | 4 | 7.5 | 0.6 | C23140D327-3**** | 0.47 | 26.5 | 16.5 | 7 | 22.5 | 0.8 | C23140D447-9**** | |
0.033 | 10.5 | 11 | 5 | 7.5 | 0.6 | C23140D333-3**** | 0.56 | 26.5 | 17 | 8.5 | 22.5 | 0.8 | C23140D456-9**** | |
0.039 | 10.5 | 11 | 5 | 7.5 | 0.6 | C23140D339-3**** | 0.68 | 26.5 | 17 | 8.5 | 22.5 | 0.8 | C23140D468-9**** | |
0.047 | 10.5 | 11 | 5 | 7.5 | 0.6 | C23140D347-3**** | 0.82 | 26.5 | 19.5 | 10.5 | 22.5 | 0.8 | C23140D482-9**** | |
0.056 | 10.5 | 12 | 6 | 7.5 | 0.6 | C23140D356-3**** | 1 | 26.5 | 19.5 | 10.5 | 22.5 | 0.8 | C23140D510-9**** | |
0.068 | 10.5 | 12 | 6 | 7.5 | 0.6 | C23140D368-3**** | 1.2 | 26.5 | 22 | 12 | 22.5 | 0.8 | C23140D512-9**** | |
0.015 | 13 | 9 | 4 | 10 | 0.6 | C23140D315-4**** | 1.5 | 26.5 | 22 | 12 | 22.5 | 0.8 | C23140D515-9**** | |
0.018 | 13 | 9 | 4 | 10 | 0.6 | C23140D318-4**** | 0.56 | 31.5 | 18 | 9 | 27.5 | 0.8 | C23140D456-B**** | |
0.022 | 13 | 9 | 4 | 10 | 0.6 | C23140D322-4**** | 0.68 | 31.5 | 18 | 9 | 27.5 | 0.8 | C23140D468-B**** | |
0.027 | 13 | 9 | 4 | 10 | 0.6 | C23140D327-4**** | 0.82 | 31.5 | 18 | 9 | 27.5 | 0.8 | C23140D482-B**** | |
0.033 | 13 | 9 | 4 | 10 | 0.6 | C23140D333-4**** | 1 | 31.5 | 18 | 9 | 27.5 | 0.8 | C23140D510-B**** | |
0.039 | 13 | 9 | 4 | 10 | 0.6 | C23140D339-4**** | 1.2 | 31.5 | 20 | 11 | 27.5 | 0.8 | C23140D512-B**** | |
0.047 | 13 | 11 | 5 | 10 | 0.6 | C23140D347-4**** | 1.5 | 31.5 | 20 | 11 | 27.5 | 0.8 | C23140D515-B**** | |
0.056 | 13 | 11 | 5 | 10 | 0.6 | C23140D356-4**** | 1.8 | 31.5 | 22 | 13 | 27.5 | 0.8 | C23140D518-B**** | |
0.068 | 13 | 11 | 5 | 10 | 0.6 | C23140D368-4**** | 2.2 | 31.5 | 23.5 | 14 | 27.5 | 0.8 | C23140D522-B**** | |
0.082 | 13 | 12 | 6 | 10 | 0.6 | C23140D382-4**** | 2.7 | 31.5 | 23.5 | 14 | 27.5 | 0.8 | C23140D527-B**** | |
0.1 | 13 | 12 | 6 | 10 | 0.6 | C23140D410-4**** | 3.3 | 31.5 | 28 | 14 | 27.5 | 0.8 | C23140D533-B**** | |
0.068 | 18 | 11 | 5 | 15 | 0.6 | C23140D368-6**** | 3.9 | 31.5 | 28 | 14 | 27.5 | 0.8 | C23140D539-B**** | |
0.082 | 18 | 11 | 5 | 15 | 0.6 | C23140D382-6**** | 4.7 | 31.5 | 30 | 18 | 27.5 | 0.8 | C23140D547-B**** | |
0.1 | 18 | 11 | 5 | 15 | 0.6 | C23140D410-6**** | 5.6 | 31.5 | 30 | 18 | 27.5 | 0.8 | C23140D556-B**** | |
0.12 | 18 | 11 | 5 | 15 | 0.6 | C23140D412-6**** | ||||||||
0.15 | 18 | 12 | 6 | 15 | 0.8 | C23140D415-6**** | ||||||||
0.18 | 18 | 12 | 6 | 15 | 0.8 | C23140D418-6**** | ||||||||
0.22 | 18 | 13.5 | 7.5 | 15 | 0.8 | C23140D422-6**** | ||||||||
0.27 | 18 | 13.5 | 7.5 | 15 | 0.8 | C23140D427-6**** | ||||||||
0.33 | 18 | 14.5 | 8.5 | 15 | 0.8 | C23140D433-6**** | ||||||||
0.39 | 18 | 16 | 10 | 15 | 0.8 | C23140D439-6**** | ||||||||
0.47 | 18 | 16 | 10 | 15 | 0.8 | C23140D447-6**** | ||||||||
0.56 | 18 | 19 | 11 | 15 | 0.8 | C23140D456-6**** | ||||||||
0.68 | 18 | 19 | 11 | 15 | 0.8 | C23140D468-6**** | ||||||||
● 规格尺寸Dimensions
630VDC(250VAC) | 630VDC(250VAC) | |||||||||||||
CR | W | H | T | P | d | Part Number | CR | W | H | T | P | d | Part Number | |
0.001 | 10.5 | 9 | 4 | 7.5 | 0.6 | C23163D210-3**** | 0.1 | 18 | 12 | 6 | 15 | 0.8 | C23163D410-6**** | |
0.0012 | 10.5 | 9 | 4 | 7.5 | 0.6 | C23163D212-3**** | 0.12 | 18 | 13.5 | 7.5 | 15 | 0.8 | C23163D412-6**** | |
0.0015 | 10.5 | 9 | 4 | 7.5 | 0.6 | C23163D215-3**** | 0.15 | 18 | 13.5 | 7.5 | 15 | 0.8 | C23163D415-6**** | |
0.0018 | 10.5 | 9 | 4 | 7.5 | 0.6 | C23163D218-3**** | 0.18 | 18 | 14.5 | 8.5 | 15 | 0.8 | C23163D418-6**** | |
0.0022 | 10.5 | 9 | 4 | 7.5 | 0.6 | C23163D222-3**** | 0.22 | 18 | 14.5 | 8.5 | 15 | 0.8 | C23163D422-6**** | |
0.0027 | 10.5 | 9 | 4 | 7.5 | 0.6 | C23163D227-3**** | 0.27 | 18 | 16 | 10 | 15 | 0.8 | C23163D427-6**** | |
0.0033 | 10.5 | 9 | 4 | 7.5 | 0.6 | C23163D233-3**** | 0.33 | 18 | 16 | 10 | 15 | 0.8 | C23163D433-6**** | |
0.0039 | 10.5 | 9 | 4 | 7.5 | 0.6 | C23163D239-3**** | 0.47 | 18 | 19 | 11 | 15 | 0.8 | C23163D447-6**** | |
0.0047 | 10.5 | 9 | 4 | 7.5 | 0.6 | C23163D247-3**** | 0.56 | 18 | 19 | 11 | 15 | 0.8 | C23163D456-6**** | |
0.0056 | 10.5 | 9 | 4 | 7.5 | 0.6 | C23163D256-3**** | 0.082 | 26.5 | 15 | 6 | 22.5 | 0.8 | C23163D382-9**** | |
0.0068 | 10.5 | 9 | 4 | 7.5 | 0.6 | C23163D268-3**** | 0.1 | 26.5 | 15 | 6 | 22.5 | 0.8 | C23163D410-9**** | |
0.0082 | 10.5 | 9 | 4 | 7.5 | 0.6 | C23163D282-3**** | 0.12 | 26.5 | 15 | 6 | 22.5 | 0.8 | C23163D412-9**** | |
0.01 | 10.5 | 9 | 4 | 7.5 | 0.6 | C23163D310-3**** | 0.15 | 26.5 | 15 | 6 | 22.5 | 0.8 | C23163D415-9**** | |
0.012 | 10.5 | 9 | 4 | 7.5 | 0.6 | C23163D312-3**** | 0.18 | 26.5 | 15 | 6 | 22.5 | 0.8 | C23163D418-9**** | |
0.015 | 10.5 | 11 | 5 | 7.5 | 0.6 | C23163D315-3**** | 0.22 | 26.5 | 16.5 | 7 | 22.5 | 0.8 | C23163D422-9**** | |
0.018 | 10.5 | 11 | 5 | 7.5 | 0.6 | C23163D318-3**** | 0.27 | 26.5 | 16.5 | 7 | 22.5 | 0.8 | C23163D427-9**** | |
0.022 | 10.5 | 11 | 5 | 7.5 | 0.6 | C23163D322-3**** | 0.33 | 26.5 | 17 | 8.5 | 22.5 | 0.8 | C23163D433-9**** | |
0.027 | 10.5 | 12 | 6 | 7.5 | 0.6 | C23163D327-3**** | 0.39 | 26.5 | 17 | 8.5 | 22.5 | 0.8 | C23163D439-9**** | |
0.033 | 10.5 | 12 | 6 | 7.5 | 0.6 | C23163D333-3**** | 0.47 | 26.5 | 19.5 | 10.5 | 22.5 | 0.8 | C23163D447-9**** | |
0.0068 | 13 | 9 | 4 | 10 | 0.6 | C23163D268-4**** | 0.56 | 26.5 | 19.5 | 10.5 | 22.5 | 0.8 | C23163D456-9**** | |
0.0082 | 13 | 9 | 4 | 10 | 0.6 | C23163D282-4**** | 0.68 | 26.5 | 19.5 | 10.5 | 22.5 | 0.8 | C23163D468-9**** | |
0.01 | 13 | 9 | 4 | 10 | 0.6 | C23163D310-4**** | 0.82 | 26.5 | 22 | 12 | 22.5 | 0.8 | C23163D482-9**** | |
0.012 | 13 | 9 | 4 | 10 | 0.6 | C23163D312-4**** | 1 | 26.5 | 22 | 12 | 22.5 | 0.8 | C23163D510-9**** | |
0.015 | 13 | 9 | 4 | 10 | 0.6 | C23163D315-4**** | 0.33 | 31.5 | 18 | 9 | 27.5 | 0.8 | C23163D433-B**** | |
0.018 | 13 | 9 | 4 | 10 | 0.6 | C23163D318-4**** | 0.39 | 31.5 | 18 | 9 | 27.5 | 0.8 | C23163D439-B**** | |
0.022 | 13 | 11 | 5 | 10 | 0.6 | C23163D322-4**** | 0.47 | 31.5 | 18 | 9 | 27.5 | 0.8 | C23163D447-B**** | |
0.027 | 13 | 11 | 5 | 10 | 0.6 | C23163D327-4**** | 0.56 | 31.5 | 20 | 11 | 27.5 | 0.8 | C23163D456-B**** | |
0.033 | 13 | 11 | 5 | 10 | 0.6 | C23163D333-4**** | 0.68 | 31.5 | 20 | 11 | 27.5 | 0.8 | C23163D468-B**** | |
0.039 | 13 | 12 | 6 | 10 | 0.6 | C23163D339-4**** | 0.82 | 31.5 | 20 | 11 | 27.5 | 0.8 | C23163D482-B**** | |
0.047 | 13 | 12 | 6 | 10 | 0.6 | C23163D347-4**** | 1 | 31.5 | 22 | 13 | 27.5 | 0.8 | C23163D510-B**** | |
0.027 | 18 | 11 | 5 | 15 | 0.6 | C23163D327-6**** | 1.2 | 31.5 | 23.5 | 14 | 27.5 | 0.8 | C23163D512-B**** | |
0.033 | 18 | 11 | 5 | 15 | 0.6 | C23163D333-6**** | 1.5 | 31.5 | 23.5 | 14 | 27.5 | 0.8 | C23163D515-B**** | |
0.039 | 18 | 11 | 5 | 15 | 0.6 | C23163D339-6**** | 1.8 | 31.5 | 28 | 14 | 27.5 | 0.8 | C23163D518-B**** | |
0.047 | 18 | 11 | 5 | 15 | 0.6 | C23163D347-6**** | 2.2 | 31.5 | 28 | 14 | 27.5 | 0.8 | C23163D522-B**** | |
0.056 | 18 | 11 | 5 | 15 | 0.6 | C23163D356-6**** | 2.7 | 31.5 | 30 | 18 | 27.5 | 0.8 | C23163D527-B**** | |
0.068 | 18 | 12 | 6 | 15 | 0.8 | C23163D368-6**** | 3.3 | 31.5 | 33 | 18 | 27.5 | 0.8 | C23163D533-B**** | |
0.082 | 18 | 12 | 6 | 15 | 0.8 | C23163D382-6**** | ||||||||
● 规格尺寸Dimensions
1000VDC(400VAC) | 1000VDC(400VAC) | |||||||||||||
CR | W | H | T | P | d | Part Number | CR | W | H | T | P | d | Part Number | |
0.001 | 13 | 9 | 4 | 10 | 0.6 | C23210D210-4**** | 0.012 | 18 | 11 | 5 | 15 | 0.6 | C23210D312-6**** | |
0.0012 | 13 | 9 | 4 | 10 | 0.6 | C23210D212-4**** | 0.015 | 18 | 12 | 6 | 15 | 0.8 | C23210D315-6**** | |
0.0015 | 13 | 9 | 4 | 10 | 0.6 | C23210D215-4**** | 0.018 | 18 | 12 | 6 | 15 | 0.8 | C23210D318-6**** | |
0.0018 | 13 | 9 | 4 | 10 | 0.6 | C23210D218-4**** | 0.022 | 18 | 13.5 | 7.5 | 15 | 0.8 | C23210D322-6**** | |
0.0022 | 13 | 9 | 4 | 10 | 0.6 | C23210D222-4**** | 0.027 | 18 | 13.5 | 7.5 | 15 | 0.8 | C23210D327-6**** | |
0.0027 | 13 | 9 | 4 | 10 | 0.6 | C23210D227-4**** | 0.033 | 18 | 14.5 | 8.5 | 15 | 0.8 | C23210D333-6**** | |
0.0033 | 13 | 9 | 4 | 10 | 0.6 | C23210D233-4**** | 0.039 | 18 | 16 | 10 | 15 | 0.8 | C23210D339-6**** | |
0.0039 | 13 | 9 | 4 | 10 | 0.6 | C23210D239-4**** | 0.047 | 18 | 16 | 10 | 15 | 0.8 | C23210D347-6**** | |
0.0047 | 13 | 11 | 5 | 10 | 0.6 | C23210D247-4**** | 0.056 | 18 | 19 | 11 | 15 | 0.8 | C23210D356-6**** | |
0.0056 | 13 | 11 | 5 | 10 | 0.6 | C23210D256-4**** | 0.068 | 18 | 19 | 11 | 15 | 0.8 | C23210D368-6**** | |
0.0068 | 13 | 11 | 5 | 10 | 0.6 | C23210D268-4**** | 0.018 | 26.5 | 15 | 6 | 22.5 | 0.8 | C23210D318-9**** | |
0.0082 | 13 | 12 | 6 | 10 | 0.6 | C23210D282-4**** | 0.022 | 26.5 | 15 | 6 | 22.5 | 0.8 | C23210D322-9**** | |
0.01 | 13 | 12 | 6 | 10 | 0.6 | C23210D310-4**** | 0.027 | 26.5 | 15 | 6 | 22.5 | 0.8 | C23210D327-9**** | |
0.0022 | 18 | 11 | 5 | 15 | 0.6 | C23210D222-6**** | 0.033 | 26.5 | 15 | 6 | 22.5 | 0.8 | C23210D333-9**** | |
0.0027 | 18 | 11 | 5 | 15 | 0.6 | C23210D227-6**** | 0.039 | 26.5 | 15 | 6 | 22.5 | 0.8 | C23210D339-9**** | |
0.0033 | 18 | 11 | 5 | 15 | 0.6 | C23210D233-6**** | 0.047 | 26.5 | 16.5 | 7 | 22.5 | 0.8 | C23210D347-9**** | |
0.0039 | 18 | 11 | 5 | 15 | 0.6 | C23210D239-6**** | 0.056 | 26.5 | 16.5 | 7 | 22.5 | 0.8 | C23210D356-9**** | |
0.0047 | 18 | 11 | 5 | 15 | 0.6 | C23210D247-6**** | 0.068 | 26.5 | 17 | 8.5 | 22.5 | 0.8 | C23210D368-9**** | |
0.0056 | 18 | 11 | 5 | 15 | 0.6 | C23210D256-6**** | 0.082 | 26.5 | 17 | 8.5 | 22.5 | 0.8 | C23210D382-9**** | |
0.0068 | 18 | 11 | 5 | 15 | 0.6 | C23210D268-6**** | 0.1 | 26.5 | 19.5 | 10.5 | 22.5 | 0.8 | C23210D410-9**** | |
0.0082 | 18 | 11 | 5 | 15 | 0.6 | C23210D282-6**** | 0.12 | 26.5 | 22 | 12 | 22.5 | 0.8 | C23210D412-9**** | |
0.01 | 18 | 11 | 5 | 15 | 0.6 | C23210D310-6**** | 0.15 | 26.5 | 22 | 12 | 22.5 | 0.8 | C23210D415-9**** | |
● 规格尺寸Dimensions
1600VDC(600VAC) | 2000VDC(700VAC) | |||||||||||||
CR | W | H | T | P | d | Part Number | CR | W | H | T | P | d | Part Number | |
0.00056 | 18 | 11 | 5 | 15 | 0.6 | C23216D156-6**** | 0.00056 | 18 | 11 | 5 | 15 | 0.6 | C23220D156-6**** | |
0.00068 | 18 | 11 | 5 | 15 | 0.6 | C23216D168-6**** | 0.00068 | 18 | 11 | 5 | 15 | 0.6 | C23220D168-6**** | |
0.00082 | 18 | 11 | 5 | 15 | 0.6 | C23216D182-6**** | 0.00082 | 18 | 11 | 5 | 15 | 0.6 | C23220D182-6**** | |
0.001 | 18 | 11 | 5 | 15 | 0.6 | C23216D210-6**** | 0.001 | 18 | 11 | 5 | 15 | 0.6 | C23220D210-6**** | |
0.0012 | 18 | 11 | 5 | 15 | 0.6 | C23216D212-6**** | 0.0012 | 18 | 11 | 5 | 15 | 0.6 | C23220D212-6**** | |
0.0015 | 18 | 11 | 5 | 15 | 0.6 | C23216D215-6**** | 0.0015 | 18 | 11 | 5 | 15 | 0.6 | C23220D215-6**** | |
0.0018 | 18 | 11 | 5 | 15 | 0.6 | C23216D218-6**** | 0.0018 | 18 | 11 | 5 | 15 | 0.6 | C23220D218-6**** | |
0.0022 | 18 | 11 | 5 | 15 | 0.6 | C23216D222-6**** | 0.0022 | 18 | 11 | 5 | 15 | 0.6 | C23220D222-6**** | |
0.0027 | 18 | 11 | 5 | 15 | 0.6 | C23216D227-6**** | 0.0027 | 18 | 11 | 5 | 15 | 0.6 | C23220D227-6**** | |
0.0033 | 18 | 11 | 5 | 15 | 0.6 | C23216D233-6**** | 0.0033 | 18 | 11 | 5 | 15 | 0.6 | C23220D233-6**** | |
0.0039 | 18 | 11 | 5 | 15 | 0.6 | C23216D239-6**** | 0.0039 | 18 | 11 | 5 | 15 | 0.6 | C23220D239-6**** | |
0.0047 | 18 | 11 | 5 | 15 | 0.6 | C23216D247-6**** | 0.0047 | 18 | 11 | 5 | 15 | 0.6 | C23220D247-6**** | |
0.0056 | 18 | 11 | 5 | 15 | 0.6 | C23216D256-6**** | 0.0056 | 18 | 12 | 6 | 15 | 0.8 | C23220D256-6**** | |
0.0068 | 18 | 11 | 5 | 15 | 0.6 | C23216D268-6**** | 0.0068 | 18 | 12 | 6 | 15 | 0.8 | C23220D268-6**** | |
0.0082 | 18 | 12 | 6 | 15 | 0.8 | C23216D282-6**** | 0.0082 | 18 | 13.5 | 7.5 | 15 | 0.8 | C23220D282-6**** | |
0.01 | 18 | 12 | 6 | 15 | 0.8 | C23216D310-6**** | 0.01 | 18 | 13.5 | 7.5 | 15 | 0.8 | C23220D310-6**** | |
0.012 | 18 | 12 | 6 | 15 | 0.8 | C23216D312-6**** | 0.012 | 18 | 14.5 | 8.5 | 15 | 0.8 | C23220D312-6**** | |
0.015 | 18 | 13.5 | 7.5 | 15 | 0.8 | C23216D315-6**** | 0.015 | 18 | 14.5 | 8.5 | 15 | 0.8 | C23220D315-6**** | |
0.018 | 18 | 13.5 | 7.5 | 15 | 0.8 | C23216D318-6**** | 0.018 | 18 | 16 | 10 | 15 | 0.8 | C23220D318-6**** | |
0.022 | 18 | 14.5 | 8.5 | 15 | 0.8 | C23216D322-6**** | 0.022 | 18 | 19 | 11 | 15 | 0.8 | C23220D322-6**** | |
0.027 | 18 | 16 | 10 | 15 | 0.8 | C23216D327-6**** | 0.0068 | 26.5 | 15 | 6 | 22.5 | 0.8 | C23220D268-9**** | |
0.033 | 18 | 16 | 10 | 15 | 0.8 | C23216D333-6**** | 0.0082 | 26.5 | 15 | 6 | 22.5 | 0.8 | C23220D282-9**** | |
0.039 | 18 | 19 | 11 | 15 | 0.8 | C23216D339-6**** | 0.01 | 26.5 | 15 | 6 | 22.5 | 0.8 | C23220D310-9**** | |
0.047 | 18 | 19 | 11 | 15 | 0.8 | C23216D347-6**** | 0.012 | 26.5 | 15 | 6 | 22.5 | 0.8 | C23220D312-9**** | |
0.015 | 26.5 | 15 | 6 | 22.5 | 0.8 | C23216D315-9**** | 0.015 | 26.5 | 15 | 6 | 22.5 | 0.8 | C23220D315-9**** | |
0.018 | 26.5 | 15 | 6 | 22.5 | 0.8 | C23216D318-9**** | 0.018 | 26.5 | 16.5 | 7 | 22.5 | 0.8 | C23220D318-9**** | |
0.022 | 26.5 | 15 | 6 | 22.5 | 0.8 | C23216D322-9**** | 0.022 | 26.5 | 17 | 8.5 | 22.5 | 0.8 | C23220D322-9**** | |
0.027 | 26.5 | 16.5 | 7 | 22.5 | 0.8 | C23216D327-9**** | 0.027 | 26.5 | 17 | 8.5 | 22.5 | 0.8 | C23220D327-9**** | |
0.033 | 26.5 | 16.5 | 7 | 22.5 | 0.8 | C23216D333-9**** | 0.033 | 26.5 | 19.5 | 10.5 | 22.5 | 0.8 | C23220D333-9**** | |
0.039 | 26.5 | 17 | 8.5 | 22.5 | 0.8 | C23216D339-9**** | 0.039 | 26.5 | 19.5 | 10.5 | 22.5 | 0.8 | C23220D339-9**** | |
0.047 | 26.5 | 19.5 | 10.5 | 22.5 | 0.8 | C23216D347-9**** | 0.047 | 26.5 | 22 | 12 | 22.5 | 0.8 | C23220D347-9**** | |
0.056 | 26.5 | 19.5 | 10.5 | 22.5 | 0.8 | C23216D356-9**** | 0.056 | 26.5 | 22 | 12 | 22.5 | 0.8 | C23220D356-9**** | |
0.068 | 26.5 | 22 | 12 | 22.5 | 0.8 | C23216D368-9**** | ||||||||
0.082 | 26.5 | 22 | 12 | 22.5 | 0.8 | C23216D382-9**** | ||||||||
0.1 | 26.5 | 22 | 12 | 22.5 | 0.8 | C23216D410-9**** | ||||||||

kaiyun开云官方网页版专业的科研机构和一支高水平 的研发团队

kaiyun开云官方网页版众多国家认可资质

宏大事业感召人,优厚待遇吸引人,优 秀文化凝聚人,创造条件成就人

为客户提供优质、安全、环保、高效的产品和服务


市场部:671384967
13775603525(肖小姐)