50年专注薄膜电容器的创新发展,

为新能源汽车、电力电子设备提供定制化、高品质解决方案。

  • 服务热线:

    13775603525(肖小姐)
首页 > 产品展示 > 电力电子  > IGBT 用突波缓冲吸收轴向电容器  > IGBT 用突波缓冲吸收电容器
产品分类
联系我们
IGBT 用突波缓冲吸收电容器
电话:0519-85760576;0519-85760520
    • IGBT 用突波缓冲吸收电容器
产品详情

IGBT用突波缓冲吸收电容器(焊片)


查看PDF:CXS 焊片IGBT用突波缓冲吸收电容器.pdf


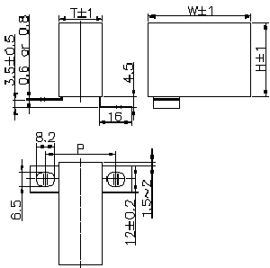
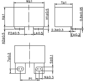
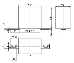
●外形图Outline Drawing

图片5.png    图片6.png

L×F×N×S=14.3×16×9.2×6.2或                     L×F×N×S=14.3×15×9.2×6.2或

L×F×N×S=15×16.3×10.2×6.2                       L×F×N×S=15×15×10.4×6.2

        图1(Style1)                                           图2(Style2)

图片7.png     图片8.png

图片9.png

应用                                           

适用于各种规格的IGBT缓冲吸收保护。


产品描述

引用标准GB/T 17702  idt IEC 61071,

GB/T 2693 idt IEC 60384-1;

双面金属化极板,聚丙烯介质无感式卷绕;

具有低的ESR和高的dv/dt特性;

可承受很大的峰-峰值电流Ipp和高频有效值电流Irms;

可提供满足各类IGBT系列化产品。


工艺特点

采用双面金属化膜做电极,以提高dv/dt特性;

可提供内置快恢复管的模块化器件。


● 性能指标 Specifications

引用标准Reference Standard

GB/T 17702 (IEC 61071)

气候类别Climatic Category

40/85/56

工作温度范围  外壳耐高温度点

Temperature Range(case)

40+85℃

额定工作电压 Rated Voltage Un

630Vdc3000Vdc

电容量范围 Capacitance Range

0.0479μF

电容量偏差Capacitance Tolerance ΔC/C

J±5%   K±10%

耐电压Voltage Proof

1.6Un ( 10s )

损耗角正切Dissipation Factor

5×10-41kHz,20℃)

绝缘电阻Insulation Resistance

IR≥100000MΩ,CN≤0.33μF

20℃,100Vdc,1min

IR≥30000S,CN0.33μF

预期寿命Expected Lifetime

≥100000h @ UN  θhs=70℃

产品编码说明   Part  number  system

● 16位产品代码如下:

1

2

3

4

5

6

7

8

9

10

11

12

13

14

15

16

C

X

S















第1~3位    Digit 1 to 3                  型号代码  Series code                         

                                                      CXS                                     

 

第4~6位    Digit 4 to 6                  额定电压  Rated voltage                  

                                                      举例:163=101×63V=630V 

              

第7位       Digit 7                            交流/直流电压   AC/DC

                                                       A=AC   D=DC                                

 

第8~10位   Digit 8 to 10                标称容量   Rated capacitance value

                                                       举例: 310=103×10pF=0.01μF                     

                              

第11位      Digit 11                           容量偏差   Capacitance tolerance

                                                        J=±5%,K=±10%                       

 

第12位      Digit 12                           主要特征码   Main code

 

第13~16位  Digit 13 to 16               内部识别码   Internal use


内部识别码Internal use

第13Digit 13

额定电压  

Rated voltage

焊片的引出方式    Style of solder slice

外壳宽度  

Width of case

安装孔距                    Distance of hole for fixing

焊片间距              Distance of solder slice

W

P

Code

P1

630Vdc         700Vdc       850Vdc      1000Vdc    

图1(Style 1)      or              图2(Style 2)

37/42

17~25

1

7

22~30

2

12

57

30~38

3

20

35~43

4

25

图3(Style 3)

37

52~62

5

33

42

57~67

6

38

57

70~80

7

51

1200Vdc         1600Vdc       1700Vdc      2000Vdc   2500Vdc  3000Vdc   

图1(Style 1)      or              图2(Style 2)

37/42

16~24

A

6

21~29

B

11

57

31~39

C

21

36~44

D

26

图3(Style 3)

37

51~61

E

32

42

56~66

F

37

57

71~81

G

52







额定电压  

Rated voltage

焊片的引出方式    Style of solder slice

外壳宽度  

Width of case

安装孔距                    Distance of hole for fixing

焊片间距              Distance of solder slice

W

P

Code

P1

630VDC~3000Vdc

图4(Style 4)

19

30~34

H

15

25

36~40

I

21

30

41~45

J

26

第14位Digit 14

第15位Digit 15

第16位Digit 16

C高度
Height for C

焊片的引出方式         

Style of solder slice

焊片的尺寸              

 Size of solder slice

Code

C1

C2

Code

图(Style)

Code

L×F×N×S

0

C1=C2<3

1

图1(Style1)

1

14.3×15×9.2×6.2

1

C1=C2=6

2

图2(Style2)

2

15×15×10.4×6.2



3

图3(Style3)

3

12×19.6×14.1×6.1

● 技术参数Technical data (mm)

630Vdc/700Vdc(420Vac)

CN
μF

W±1.0

H±1.0

T±1.0

dv/dt
(V/μs)

I
(A)

ESR
@100kHz
(mΩ)

Imax
100kHz        @70℃(A)

LS
(nH)

Part number

0.68

37

25

15

900

612

5

9

23

CXS170D468*1****

1.0

37

30

16

900

900

5

12

23

CXS170D510*1****

1.2

37

30

16

900

1080

4.5

14

23

CXS170D512*1****

1.5

37

34

20

900

1350

4.5

17

23

CXS170D515*1****

1.8

37

34

20

900

1620

4.5

18

23

CXS170D518*1****

2.0

42

40

20

600

1200

4

18

29

CXS170D520*1****

2.0

42

40

20

600

1320

4

18.5

29

CXS170D522*1****

2.5

42

40

20

600

1500

4

19

29

CXS170D525*1****

3.0

42

44

24

600

1800

4

20

29

CXS170D530*1****

3.3

42

44

24

600

1980

3.5

20

29

CXS170D533*1****

4.0

42

44

24

600

2400

3.5

21

29

CXS170D540*1****

4.7

42

45

30

600

2820

3.5

23

29

CXS170D547*1****

5.0

42

45

30

600

3000

3

23.5

29

CXS170D550*1****

6.0

42

43

42

600

3600

3

25

29

CXS170D560*1****

6.5

42

43

42

600

3900

3

26

29

CXS170D565*1****

6.5

57

45

30

360

2340

2.5

24

33

CXS170D565*2****

7.0

57

45

30

360

2520

2.5

25

33

CXS170D570*1****

8.0

57

50

35

360

2880

2.5

27

33

CXS170D580*1****

9.0

57

50

35

360

3240

2.5

29

33

CXS170D590*1****











850Vdc(450Vac)

CN
μF

W±1.0

H±1.0

T±1.0

dv/dt
(V/μs)

I
(A)

ESR
@100kHz
(mΩ)

Imax
100kHz        @70℃(A)

LS
(nH)

Part number

0.47

37

25

15

1200

564

5.0

9

23

CXS185D447*1****

0.68

37

30

16

1200

816

5.0

12

23

CXS185D468*1****

1.0

37

34

20

1200

1200

5.0

14

23

CXS185D510*1****

1.2

37

34

20

1200

1440

5.0

16

23

CXS185D512*1****

1.5

37

34

20

1200

1800

5.0

18

23

CXS185D515*1****

1.5

42

40

20

750

1125

4.5

18.5

29

CXS185D515*2****

2.0

42

40

20

750

1500

4.5

19

29

CXS185D520*1****

2.2

42

40

20

750

1650

4.5

19.5

29

CXS185D522*1****

2.5

42

44

24

750

1875

4.5

20.0

29

CXS185D525*1****

3.0

42

44

24

750

2250

4.5

21.0

29

CXS185D530*1****

3.3

42

45

30

750

2475

4.5

21.5

29

CXS185D533*1****

4.0

42

43

42

750

3000

4.5

22

29

CXS185D540*1****

4.0

57

45

30

450

1800

4

23.0

33

CXS185D540*2****

4.7

57

45

30

450

2115

4

24.5

33

CXS185D547*1****

5.0

57

45

30

450

2250

4

25

33

CXS185D550*1****

6.0

57

50

35

450

2700

4

26

33

CXS185D560*1****

6.5

57

50

35

450

2925

4

27

33

CXS185D565*1****











1000Vdc(500Vac)

CN
μF

W±1.0

H±1.0

T±1.0

dv/dt
(V/μs)

I
(A)

ESR
@100kHz
(mΩ)

Imax
100kHz        @70℃(A)

LS
(nH)

Part number

0.47

37

25

15

1300

611

5.0

9

23

CXS210D447*1****

0.68

37

30

16

1300

884

5.0

10.5

23

CXS210D468*1****

0.82

37

30

16

1300

1066

5.0

12

23

CXS210D482*1****

1.0

37

34

20

1300

1300

4.5

15

23

CXS210D510*1****

1.2

37

34

20

1300

1560

4.5

17

23

CXS210D512*1****

1.2

42

40

20

850

1020

4.5

16

29

CXS210D512*2****

1.5

42

40

20

850

1275

4.5

16

29

CXS210D515*1****

2.0

42

44

24

850

1700

4.5

17

29

CXS210D520*1****

2.2

42

44

24

850

1870

4.0

20

29

CXS210D522*1****

2.5

42

45

30

850

2125

4.0

21

29

CXS210D525*1****

3.0

42

45

30

850

2550

4.0

21.5

29

CXS210D530*1****

3.3

42

43

42

850

2805

4.0

22

29

CXS210D533*1****

3.3

57

45

30

500

1650

4.0

20

33

CXS210D533*2****

4.0

57

45

30

500

2000

4.0

21

33

CXS210D540*1****

4.7

57

50

35

500

2350

4.0

22

33

CXS210D547*1****

5.0

57

50

35

500

2500

4.0

23

33

CXS210D550*1****











1200Vdc(600Vac)

CN
μF

W±1.0

H±1.0

T±1.0

dv/dt
(V/μs)

I
(A)

ESR
@100kHz
(mΩ)

Imax
100kHz        @70℃(A)

LS
(nH)

Part number

0.33

37

25

15

1500

495

4.5

9

23

CXS212D433*1****

0.47

37

30

16

1500

705

4.5

11

23

CXS212D447*1****

0.68

37

34

20

1500

1020

4.5

12.5

23

CXS212D468*1****

0.75

37

34

20

1500

1125

4.5

13

23

CXS212D475*1****

0.82

42

40

20

950

779

4.0

14.5

29

CXS212D482*1****

1.0

42

40

20

950

950

4.0

16

29

CXS212D510*1****

1.2

42

44

24

950

1140

4.0

19

29

CXS212D512*1****

1.5

42

44

24

950

1425

4.0

19.5

29

CXS212D515*1****

2.0

42

45

30

950

1900

4.0

20

29

CXS212D520*1****

2.2

42

43

42

950

2090

4.0

21

29

CXS212D522*1****

2.5

42

43

42

950

2375

4.0

22

29

CXS212D525*1****

2.2

57

45

30

600

1320

3.8

20

33

CXS212D522*2****

2.5

57

45

30

600

1500

3.8

21

33

CXS212D525*2****

3.0

57

45

30

600

1800

3.8

22

33

CXS212D530*1****

3.3

57

50

35

600

1980

3.8

23

33

CXS212D533*1****

4.0

57

50

35

600

2400

3.8

24

33

CXS212D540*1****











1600Vdc(650Vac)

CN
μF

W±1.0

H±1.0

T±1.0

dv/dt
(V/μs)

I
(A)

ESR
@100kHz
(mΩ)

Imax
100kHz        @70℃(A)

LS
(nH)

Part number

0.22

37

25

15

1900

418

6.0

8

23

CXS216D422*1****

0.33

37

30

16

1900

627

6.0

10

23

CXS216D433*1****

0.39

37

34

20

1900

741

5.5

12

23

CXS216D439*1****

0.47

37

34

20

1900

893

5.5

14

23

CXS216D447*1****

0.68

42

40

20

1250

850

4.0

16

29

CXS216D468*1****

0.82

42

44

24

1250

1025

4.0

19

29

CXS216D482*1****

1.0

42

45

30

1250

1250

4.0

19.5

29

CXS216D510*1****

1.2

42

45

30

1250

1500

4.0

20

29

CXS216D512*1****

1.5

42

43

42

1250

1875

4.0

21

29

CXS216D515*1****

1.5

57

45

30

750

1125

3.5

22

33

CXS216D515*2****

2.0

57

50

35

750

1500

3.5

24

33

CXS216D520*1****











1700Vdc(675Vac)

CN
μF

W±1.0

H±1.0

T±1.0

dv/dt
(V/μs)

I
(A)

ESR
@100kHz
(mΩ)

Imax
100kHz        @70℃(A)

LS
(nH)

Part number

0.15

37

25

15

2000

300

7.0

7

23

CXS217D415*1****

0.22

37

30

16

2000

440

6.0

9

23

CXS217D422*1****

0.33

37

34

20

2000

660

5.5

11.5

23

CXS217D433*1****

0.39

37

34

20

2000

780

5.5

13

23

CXS217D439*1****

0.47

42

36

24

1260

592

4.0

14

29

CXS217D447*1****

0.56

42

36

24

1260

706

4.0

15.5

29

CXS217D456*1****

0.68

42

44

24

1260

857

3.5

18

29

CXS217D468*1****

0.82

42

44

24

1260

1033

3.5

19

29

CXS217D482*1****

1.0

42

45

30

1260

1260

3.5

20

29

CXS217D510*1****

1.2

42

43

42

1260

1512

3.5

21

29

CXS217D512*1****

1.0

57

45

25

780

780

3.5

18

33

CXS217D510*2****

1.2

57

43.5

29.5

780

936

3.5

19

33

CXS217D512*2****

1.5

57

50

35

780

1170

3.0

22

33

CXS217D515*1****

2.0

57

50

35

780

1560

3.0

24

33

CXS217D520*1****

3.0

57

55

45

780

2340

3.0

28

33

CXS217D530*1****











2000Vdc(700Vac)

CN
μF

W±1.0

H±1.0

T±1.0

dv/dt
(V/μs)

I
(A)

ESR
@100kHz
(mΩ)

Imax
100kHz        @70℃(A)

LS
(nH)

Part number

0.1

37

25

15

2241

224

8.0

7

23

CXS220D410*1****

0.15

37

25

15

2241

336

8.0

8.5

23

CXS220D415*1****

0.22

37

30

16

2241

493

6.0

10

23

CXS220D422*1****

0.33

37

34

20

2241

740

6.0

13

23

CXS220D433*1****

0.47

42

40

20

1300

611

4.0

15.5

29

CXS220D447*1****

0.56

42

44

24

1300

728

4.0

18

29

CXS220D456*1****

0.68

42

44

24

1300

884

3.5

18.5

29

CXS220D468*1****

0.82

42

45

30

1300

1066

3.5

19

29

CXS220D482*1****

1.0

42

43

42

1300

1300

3.5

21

29

CXS220D510*1****

1.0

57

45

30

850

850

4.0

24

33

CXS220D510*2****

1.2

57

45

30

850

1020

4.0

23

33

CXS220D512*1****

1.5

57

50

35

850

1275

4.0

24

33

CXS220D515*1****











2500Vdc(725Vac)

CN
μF

W±1.0

H±1.0

T±1.0

dv/dt
(V/μs)

I
(A)

ESR
@100kHz
(mΩ)

Imax
100kHz        @70℃(A)

LS
(nH)

Part number

0.068

37

25

15

3230

220

8.5

6.5

23

CXS225D368*1****

0.10

37

30

16

3230

323

8.5

8

23

CXS225D410*1****

0.15

37

34

20

3230

485

8.0

11

23

CXS225D415*1****

0.18

37

34

20

3230

581

7.5

12.5

23

CXS225D418*1****

0.22

42

40

20

2100

462

4.0

14

29

CXS225D422*1****

0.33

42

44

24

2100

693

4.0

15.5

29

CXS225D433*1****

0.47

42

45

30

2100

987

3.5

18

29

CXS225D447*1****

0.68

42

43

42

2100

1428

3.5

18.5

29

CXS225D468*1****

0.68

57

45

30

1200

816

3.5

19

33

CXS225D468*2****

1.0

57

50

35

1200

1200

3.5

19.5

33

CXS225D510*1****











3000Vdc(750Vac)

CN
μF

W±1.0

H±1.0

T±1.0

dv/dt
(V/μs)

I
(A)

ESR
@100kHz
(mΩ)

Imax
100kHz        @70℃(A)

LS
(nH)

Part number

0.047

37

25

15

3361

158

8.5

7.5

23

CXS230D347*1****

0.068

37

30

16

3361

229

8.0

9

23

CXS230D368*1****

0.1

37

34

20

3361

336

7.5

10.5

23

CXS230D410*1****

0.15

37

34

20

3361

504

7.0

12

23

CXS230D415*1****

0.22

42

40

20

2050

451

5.0

13

29

CXS230D422*1****

0.33

42

45

30

2050

677

4.5

16.5

29

CXS230D433*1****

0.47

42

43

42

2050

964

4.0

18

29

CXS230D447*1****

0.47

57

45

30

1200

564

4.0

18.5

33

CXS230D447*2****

0.68

57

50

35

1200

816

4.0

19

33

CXS230D468*1****

0.82

57

50

35

1200

984

3.5

20

33

CXS230D482*1****




 



 








立即咨询
内容 *

姓名 *
电话*
邮箱
 
    
    
>>拖动滑块进行验证<<
  
相关产品

联系我们

  • 地址:中国江苏常州市新北区新竹二路58号
  • 电话:0519-85760576;0519-85760520
  • 传真:0519-85760588
  • 手机:13775603525(肖小姐)
  • 邮编/P.C:213031
  • 邮箱:https://www.daliking.com
made in china

手机站

官方微信
CopyRight © 2018-2026 kaiyun开云官方网页版-kaiyun开云(中国) 版权所有  苏ICP备2021040046号-1 网站地图    中环互联网网站建设